Recmar® brtva vilice upravljačke poluge Volvo Penta 839195 872290 osovina s klinovima

  • €6,90
Uključen porez. Otprema izračunata prilikom plaćanja.

Samo 24 je ostalo!

High-quality marine engine spare parts.

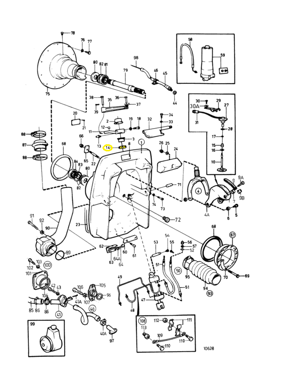
Recmar® steering arm fork seal for Volvo Penta sterndrives:

  • 290, 290A, 290DP
  • SP-A, SP-A1, SP-A2
  • DP-A, DP-A1, DP-A2 

This Recmar® steering arm sealing ring is used with steering helms whose shaft is splined. In order to renew all the steering arm bushings, you will also need the upper bushing 872363 and the lower bushing 872362. The inner diameter of this seal is:

  • Ø 36mm ~ 1-7/16"

Its location is highlighted with yellow on the scheme provided. 

Recmar® Steering arm fork seal Volvo Penta 839195 872290 spline shaft

This product replaces the following manufacturer's part nr:

  • Volvo Penta: 839195, 872290
  • Orbitrade:  19195, ORB19195
  • SLP: EPL-195
  • PoseidonMarine: PM839195
  • Recmar order number: REC839195

The references that are listed here are trademarks that apply to the respective trademark owners. The references are used only for a reference purpose. Our product is compatible with these reference numbers. Please note that our product is an aftermarket product (non-OEM), unless otherwise stated.


Također preporučujemo

CONTACT US FOR ANY QUESTIONS ABOUT Recmar® brtva vilice upravljačke poluge Volvo Penta 839195 872290 osovina s klinovima