Recmar® komplet plastičnih čahura za Volvo Penta vilicu za spajanje 876278

  • €4,90
Uključen porez. Otprema izračunata prilikom plaćanja.

Samo 24 je ostalo!

High-quality marine engine spare parts.

Recmar® plastic bushing kit for Volvo Penta sterndrives:

  • 80, 100, 100B, 200, 250, 270, 275, 275A,
  • 280, 280L, 280DP, 280PT, 285A
  • SP-A/MT 

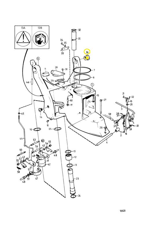
This Recmar® plastic bushing for the steering fork is sold in blisters of two pieces per pack, which is the needed quantity to change both bushings of your steering fork.  Its location is highlighted with yellow on the scheme provided.

Dimensions:

  • Diameter, internal: 18.30mm ~ 23/32"
  • Diameter, external: 45.00mm ~ 1-49/64"

Recmar® plastic bushing kit for Volvo Penta hook up fork 876278

This product replaces the following manufacturer's part nr:

  • Volvo Penta: 826341, 876278
  • Crom: 122180
  • Orbitrade: 19278, ORB19278
  • SLP: BU-341
  • Recmar order number: REC876278

The references that are listed here are trademarks that apply to the respective trademark owners. The references are used only for a reference purpose. Our product is compatible with these reference numbers. Please note that our product is an aftermarket product (non-OEM), unless otherwise stated.


Također preporučujemo

CONTACT US FOR ANY QUESTIONS ABOUT Recmar® komplet plastičnih čahura za Volvo Penta vilicu za spajanje 876278