Recmar® Gornja čahura upravljačke poluge Volvo Penta 853864 872363

  • €12,90
Uključen porez. Otprema izračunata prilikom plaćanja.

Samo 24 je ostalo!

High-quality marine engine spare parts.

Recmar® steering arm upper bushing for Volvo Penta sterndrives:

  • 290, 290A, 290DP
  • SP-A, SP-A1, SP-A2
  • DP-A, DP-A1, DP-A2 

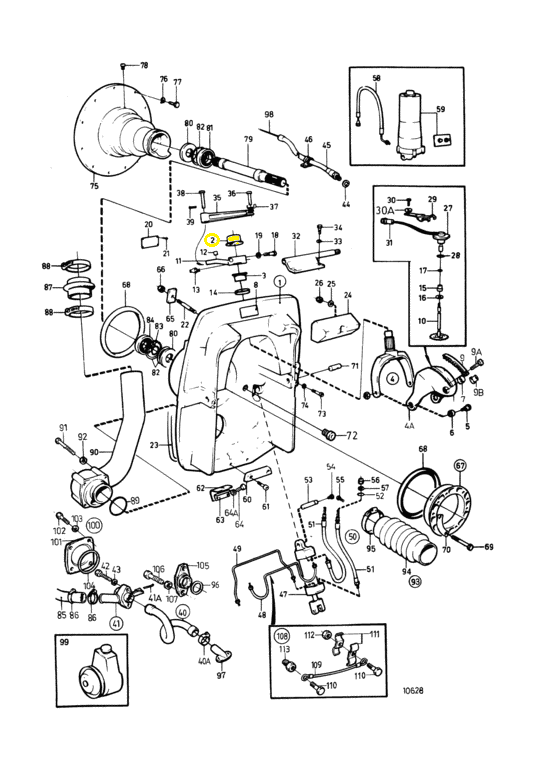
This Recmar® plastic bushing is the upper steering arm bushing and is used with steering helms whose shaft is splined. In order to renew all the steering arm bushings, you will also need the lower bushing 872362 and the V-ring seal 839195. Its location is highlighted with yellow on the scheme provided. 

Dimensions:

  • Diameter internal : 36.00mm ~ 1-7/16"
  • Diameter external : 44.00mm ~ 1-12/16"
  • Overall diameter : 50.00mm ~ 1-15/16"

Recmar® Steering arm Upper bushing Volvo Penta 853864 872363

This product replaces the following manufacturer's part nr:

  • Volvo Penta: 853864, 872363
  • Orbitrade:  18863, ORB18863
  • SLP: BU-2363
  • Recmar order number: RM872363

The references that are listed here are trademarks that apply to the respective trademark owners. The references are used only for a reference purpose. Our product is compatible with these reference numbers. Please note that our product is an aftermarket product (non-OEM), unless otherwise stated.


Također preporučujemo

CONTACT US FOR ANY QUESTIONS ABOUT Recmar® Gornja čahura upravljačke poluge Volvo Penta 853864 872363